Общество с ограниченной ответственностью "ВВГ-энерго"
220075, г. Минск, ул. Инженерная, д. 18, пом. 1, каб. 1-5
Дата регистрации в Торговом реестре/Реестре бытовых услуг: Не подлежит занесению в реестр
Номер в Торговом реестре/Реестре бытовых услуг: Не подлежит занесению в реестр, Республика Беларусь
УНП: 193538516
Регистрационный орган: Минский горисполком
Дата регистрации компании: 23.04.2021
Местонахождение книги замечаний и предложений: г. Минск, ул. Инженерная, д. 18, пом. 1, каб. 1-5
Режим работы:
| День | Время работы |
|---|---|
| Понедельник | 09:00-17:00 |
| Вторник | 09:00-17:00 |
| Среда | 09:00-17:00 |
| Четверг | 09:00-17:00 |
| Пятница | 09:00-17:00 |
| Суббота | Выходной |
| Воскресенье | Выходной |
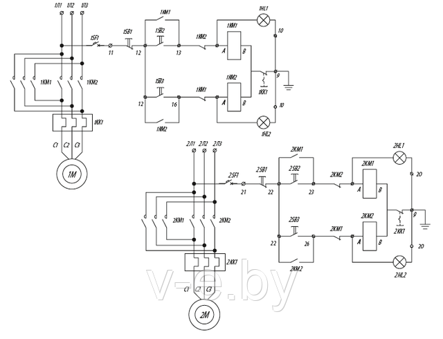
Я5434 - ящики без автоматического выключателя.
Ящики управления серии Я5000 предназначены для управления электродвигателями с короткозамкнутым ротором (пуска, остановки и реверсивного включения одного и двух электродвигателей).
| Структура условного обозначения | |
| Я 5ХХХ-ХХХХ УХЛ4 | ящик управления |
| Я 5ХХХ-ХХХХ УХЛ4 |
класс НКУ по назначению: 5 - управление асинхронными двигателями с короткозамкнутым ротором |
| Я 5ХХХ-ХХХХ УХЛ4 |
группа в классе 5: 1 - управление нереверсивными двигателями; |
| Я 5ХХХ-ХХХХ УХЛ4 | порядковый номер по таблице |
| Я 5ХХХ-ХХХХ УХЛ4 | типовой индекс схемы |
| Я 5ХХХ-ХХХХ УХЛ4 | климатическое исполнение и категория размещения |
| Ящики управления реверсивными электродвигателями серии Я500 | Аппараты на двери | ||||
|---|---|---|---|---|---|
| Номенклатура | Кол-во двигателей |
Питание цепи управления |
Переключатель | Кнопка | Свето- сигнальная арматура |
| Я5434 | 1 | Фазным напряжением | - | + | + |

Основная информация о ящиках управления асинхронными электродвигателями находится в разделе Я5000 - Ящики управления электродвигателями серии Я5000.
Смотрите также
| Ящики с автоматическим выключателем на каждый фидер | ||||
| Я5110 | Я5111 | Я5112 | Я5113 | Я5114 |
| Я5115 | Я5410 | Я5411 | Я5412 | Я5413 |
| Я5414 | Я5415 | |||
| Ящики с одним автоматическим выключателем на два фидера | |
| Я5124 | Я5424 |
| Я5125 | Я5425 |
| Ящик без автоматического выключателя | |||
| Я5130 | Я5131 | Я5134 | Я5135 |
| Я5430 | Я5431 | Я5434 | Я5435 |
| Ящики с промежуточным реле | |
| Я5141 | Я5441 |
| Ящики с клеммниками | |
| Я5001 | Я5004 |
| Я5003 | Я5005 |
| Основные | |
|---|---|
| Страна производитель | Беларусь |
| Тип оборудования | Ящик |
| Номинальное напряжение главной цепи | 230 В |
| Частота | 50 Гц |